на тему рефераты
 
Главная | Карта сайта
на тему рефераты
РАЗДЕЛЫ

на тему рефераты
ПАРТНЕРЫ

на тему рефераты
АЛФАВИТ
... А Б В Г Д Е Ж З И К Л М Н О П Р С Т У Ф Х Ц Ч Ш Щ Э Ю Я

на тему рефераты
ПОИСК
Введите фамилию автора:


Курсовая работа: ФВЧ - фильтр высоких частот


Курсовая работа: ФВЧ - фильтр высоких частот

Министерство образования и науки Украины

Черниговский государственный технологический университет

Кафедра промышленной электроники

Курсовая работа

по дисциплине

"Моделирование электронных схем"

на тему: "ФВЧ – фильтр высоких частот"

Чернигов ЧГТУ 2010


Содержание

Лист цели и задания

Спецчасть

1. Составление эквивалентной схемы замещения для работы на средних частотах при малом сигнале

2. Составление эквивалентной схемы замещения для работы на средних частотах при большом сигнале

3. Построение АЧХ и ФЧХ для коэффициента усиления по напряжению

4. Построение АЧХ и ФЧХ входной проводимости

5. Влияние номиналов элементов на параметры схемы

6. Составление полного и сокращённого унисторного графа схемы

7. Получение выражения для коэффициента усиления по напряжению и входной проводимости

Выводы

Список использованной литературы

Приложение

сигнал частота напряжение проводимость


Лист цели и задания

Цель выполнения курсовой работы:

ü  закрепление и углубление полученных студентами на лекциях и лабораторных занятиях знаний;

ü  получение навыков моделирования реальных электронных схем с помощью стандартных пакетов и расчёта их характеристик;

ü  получение навыков составления моделей электронных схем разными методами для разных режимов работы.

Задание на курсовую работу

Получив индивидуальное задание, то есть схему электрическую принципиальную, которая имеет не меньше двух активных элементов, студент должен выполнить следующие обязательные пункты задания:

ü  заменить нестандартные номиналы пассивных элементов номиналами стандартных рядов для конденсаторов и резисторов;

ü  в случае отсутствия в библиотеках программ моделирования активных компонентов заданных транзисторов и операционных усилителей заменить их существующими аналогами;

ü  составить эквивалентную схему замещения заданной схемы для работы на средних частотах при малом сигнале;

ü  составить эквивалентную схему замещения заданной схемы для работы на средних частотах при большом сигнале;

ü  построить амплитудно-частотную (АЧХ) и фазочастотную (ФЧХ) характеристики для коэффициентов усиления по напряжению схемы;

ü  построить АЧХ и ФЧХ входного сопротивления схемы;

ü  рассмотреть влияние параметров схемы на АЧХ и ФЧХ коэффициента усиления по напряжению;

ü  составить полный и сокращённый унисторный граф для схемы;

ü  получить выражение для коэффициента усиления по напряжению и входной проводимости;

ü  сделать выводы по работе.

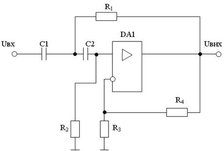
Рисунок 1 – Схема электрическая принципиальная ФВЧ

Параметры схемы:

R1 = 43 кОм; R3 = 6,8 кОм; C1 = 2 нФ; DA1 – 1407УД1;

R2 = 6,2 кОм; R4 = 71,4 кОм; C2 = 2 нФ.

Заменим номиналы элементов на стандартные из ряда Е24, а так же подберём аналог операционного усилителя:

R1 = 43 кОм; R3 = 6,8 кОм; C1 = 2 нФ; ЕК41;

R2 = 6,2 кОм; R4 = 68 кОм; C2 = 2 нФ.

Аналогом операционного усилителя (ОУ) 1407УД1 является ЕК41, но, к сожалению, он также отсутствует в программе моделирования. Поэтому заменим наш ОУ на LM324 – аналог К1401УД2А.


Спецчасть

Как было выяснено, данная схема не является фильтром высоких частот, так как неправильно включён ОУ. Поэтому поменяем входы ОУ на противоположные для правильного функционирования схемы.

В результате получим следующую схему:

Рисунок 1 – Схема электрическая принципиальная ФВЧ

 


1. Составление эквивалентной схемы замещения для работы на средних частотах при малом сигнале

Модели пассивных компонентов остаются без изменений для данного диапазона частот. Модель операционного усилителя выделена пунктиром (рис. 1.1).

Рисунок 1.1 – Эквивалентная схема замещения для средних частот при малом сигнале

Здесь .

Определим параметры модели, что заключается в определении параметров ОУ.

Входное сопротивление и коэффициент усиления ОУ берём из справочника (дополнение А):


 МОм;

Выходное сопротивление рассчитаем как отношение максимального выходного напряжения к максимальному выходному току:

 кОм.

Получили достаточно большое сопротивление. У нормальных ОУ оно составляет десятки – сотни Ом. Но, как говорится, имеем, что имеем.

 

2. Составление эквивалентной схемы замещения для работы на средних частотах при большом сигнале

Модели пассивных компонентов остаются без изменений для данного диапазона частот. Модель операционного усилителя выделена пунктиром (рис. 2.1).

Рисунок 2.1 – Эквивалентная схема замещения для средних частот при большом сигнале


Определим параметры модели:

Входное и выходное сопротивления аналогично предыдущему.

Задаёмся номиналом R11. Пускай будет 100 кОм, дабы не перегружать второй блок.

Рассчитываем значение ω1:

 рад.

Рассчитываем значение С11:

 нФ.

Рассчитываем Im:

 мА.

Рассчитываем φ:

Характеристики нелинейного сопротивления R0 и источника тока І11 приведены на рисунке 2.2.


Рисунок 2.2 – Характеристика нелинейного сопротивления R0 (a) и нелинейного источника І11 (б)

Как видно, в схеме замещения ОУ для большого сигнала отсутствует четвёртый блок, который моделирует точки перегиба АЧХ на высоких частотах. Это связано с тем, что наша схема не будет работать на частотах, при которых коэффициент усиления ОУ меньше единицы. Далее будет видно по АЧХ, что верхняя частота данного фильтра составляет около 114 кГц.

 

3. Построение АЧХ и ФЧХ для коэффициента усиления по напряжению

Для снятия АЧХ и ФЧХ фильтра соберём в программе PSpice Schematics следующую схему:

Рисунок 3.1 – Схема для снятия АЧХ фильтра


Установим на выходе генератора VSIN напряжение амплитудой 1 В, а на выход фильтра – маркер Voltage/Level для получения АЧХ или Phase of Voltage для получения ФЧХ. Получим следующие частотные характеристики.

Рисунок 3.2 – АЧХ фильтра (при частоте от 0 до 1 МГц)

Рисунок 3.3 – ФЧХ фильтра (при частоте от 0 до 1 МГц)

Как видим по АЧХ, этот фильтр имеет полосу пропускания в диапазоне, приблизительно, от 0 до 120 кГц, поэтому снимем частотные характеристики ещё раз на этом участке.


Рисунок 3.4 – АЧХ фильтра (при частоте от 0 до 120 кГц)

Определим параметры фильтра.

Полоса пропускания:

 кГц;

 кГц.

Максимальный коэффициент усиления по напряжению:

Рисунок 3.5 – ФЧХ фильтра (при частоте от 0 до 120 кГц)


4. Построение АЧХ и ФЧХ входной проводимости

Для получения АЧХ входной проводимости на вход установим датчик тока (резистор R_dat_I на рис. 4.1) и снимем падение напряжения на нём, которое будет равно входному току. Так как амплитуда генератора 1 В, то получим сразу выражение для входной проводимости в См.

Для получения ФЧХ входной проводимости поставим маркер Phase of Voltage сразу после датчика тока.

АЧХ и ФЧХ входной проводимости на рис. 4.2 и 4.3 соответственно.

Рисунок 4.1 – Схема для получения АЧХ входной проводимости

Рисунок 4.2 – АЧХ входной проводимости


Рисунок 4.3 – ФЧХ входной проводимости

5. Влияние номиналов элементов на параметры схемы

Рисунок 5.1 – Влияние С1 = С2 на АХЧ

Рисунок 5.2 – Влияние С1 = С2 на ФХЧ


Рисунок 5.3 – Влияние R4 на АЧХ

Рисунок 5.4 – Влияние R4 на ФЧХ

Рисунок 5.5 – Влияние R2 на АЧХ


Рисунок 5.6 – Влияние R2 на ФЧХ

6. Составление полного и сокращённого унисторного графа схемы

Составим полный граф схемы согласно рассмотренным на лекции правилам. Для этого пронумеруем узлы схемы, как показано на рисунке 6.1.

Рисунок 6.1 – Схема с пронумерованными узлами

 

7. Получение выражения для коэффициента усиления по напряжению и входной проводимости

Запишем числитель формулы Мэзона для определения КU:

> A:=y1*c1*p*(yin*(y2+c2*p)+yin(y3+y4)+(y2+c2*p)*(y3+y4))+ a*c1*c2*p*p*(yin+y3+y4)+yin*y4*c1*c2*p*p-a*yin*c1*c2*p*p;


Рассчитаем числитель формулы Мэзона для определения Yвх:

> P[1]:=(y2-a)*c2*c1*p*p;

> delta[1]:=-a*(y1+yout)+(y1+yout)*y4+(y1+yout)*(a+yin+y3)+ y4*(a+yin+y3);

> P[2]:=(y3+a)*y4*y1*c1*p;

> delta[2]:=c2*p+yin+y2;

> P[3]:=(y3+a)*y4*a*c2*p*c1*p;

> delta[3]:=1:

> P[4]:=(y3+a)*yin*c1*c2*p*p;

> delta[4]:=y1+yout+y4;

> P[5]:=yout*y1*c1*p;

> delta[5]:=yout*(y3+y4)+yin*(c2*p+y3)+(y3+y4)*(c2*p+y3);

> P[6]:=yout*y1*c1*p;

> delta[6]:=yin+y3+y4;

> P[7]:=-a*yout*yin*c1*c2*p*p;

> P[8]:=yout*y4*yin*c2*c1*p*p;

> P[9]:=(y2-a)*yin*y4*y1*c1*p;

Числитель формулы Мэзона для определения Yвх:

> B:=sum(P[k]*delta[k],k=1..9);

Рассчитаем определитель графа:

> Y[1]:=y2-a;

> delta[1]:=y1*c2*p*yin+c2*p*yin*y4+yin*y4*y1+y4*y1*c2*p-a*y1*c2*p;

> Y[2]:=y3+a;

> delta[2]:=a*y1*y4+y1*y4*yin+c2*p*y1*y4+yin*c2*p*y1+y4*yin*c2*p;

> Y[3]:=c1*p;

> delta[3]:=a*y1*y4-a*a*y1+c2*p*yin*y4+yin*y4*y1-yin*a*y1+yin*c2*p*y1-c2*p*y1*a+c2*p*y1*y4+yin*a*y1;

> Y[4]:=yout;

> delta[4]:=c2*p*y1*(y4-a)+y1*(y4-a)*yin+c2*p*yin*(y4-a)+y1*c2*p*yin+c2*p*a*yin+y1*a*(y4-a);

> Y[5]:=(y3+a)*(y2-a);

> delta[5]:=c2*p*y1+c2*p*y4+y1*y4;

> Y[6]:=(y3+a)*c1*p;

> delta[6]:=a*(y1+y4)+(yin+c2*p)*(y1+y4);

> Y[7]:=(y3+a)*yout;

> delta[7]:=c2*p*y1+c2*p*(yin+a)+y1*(yin+a);

> Y[8]:=(y2-a)*c1*p;

> delta[8]:=yin*y1+yin*y4+y1*y4-a*y1;

> Y[9]:=(y2-a)*yout;

> delta[9]:=(yin+y4-a)*(c2*p+y1);

> Y[10]:=c1*p*yout;

> delta[10]:=(c2*p+a)*yin+(c2*p+a)*(y4-a)+yin*(y4-a);

> Y[11]:=(y2-a)*c1*p*yout;

> delta[11]:=yin+y4-a;

> Y[12]:=c1*p*yout*(y3+a);

> delta[12]:=c2*p+yin+a;

> Y[13]:=yout*(y3+a)*(y2-a);

> delta[13]:=c2*p+y1;

> Y[14]:=(y3+a)*(y2-a)*c1*p;

> delta[14]:=y1+y4;

> Y[15]:=(y3+a)*(y2-a)*c1*p*yout;

> delta[15]:=1;

Определитель графа:


> Delta:=simplify(sum(Y[i]*delta[i],i=1..15));

Получим выражение для коэффициента усиления по напряжению:

> Ku:=A/Delta;

Получим выражение для входной проводимости:


> Yin:=B/Delta;

Заменим введённую ранее переменную а:

> a:=ku*yout;

Тогда выражения для коэффициента усиления по напряжению и входной проводимости соответственно будут иметь вид:

> Ku:=simplify(Ku);

> Yin:=simplify(Yin);

Как видим, оба выражения имеют громоздкий вид.


Выводы

Выполнив данную курсовую работу, я закрепил и углубил полученные на лекциях и лабораторных работах знания, получил навыки моделирования реальных электронных схем с помощью программы PSpice и расчёта их характеристик. А также научился составлять модели электронных схем разными методами для разных режимов работы.

Ознакомившись с заданием курсовой работы, я начал поиск данной схемы в различных источниках по аналоговой схемотехнике для того, чтобы понять, как она работает и определяются её параметры. В результате мне удалось найти данную схему, но оказалось, что в задании неправильно подключён ОУ. Поэтому я исправил эту ошибку, согласовав это с преподавателем, то есть с Вами.

При выборе элементов выбор пал на ряд Е24, так как это пятипроцентный ряд, что вполне достаточно для подобных схем. Операционный усилитель был заменен на другой, так как аналога, данного в задании, не оказалось в библиотеке программы PSpice.

При расчёте выходного сопротивления ОУ было получено достаточно большое значение. Возможно, не совсем правильно делить выходное напряжение на выходной ток для определения данного параметра.

Для определения ω1 было использовано правило, что произведение полосы пропускания на коэффициент усиления величина постоянная. В результате получили значение 20 Гц. Как видим, ОУ в разомкнутом состоянии ведет себя подобно интегратору.

Построив АХЧ фильтра, видим, что он применим до частоты 114 кГц. Так как это верхняя частота для данной схемы. Именно поэтому был исключён четвёртый блок в схеме замещения для большого сигнала.

Максимальный коэффициент усиления по напряжению составил около 9. Проанализировав схему, видим, что имеется две цепи ОС. Коэффициент ООС определяется сопротивлениями R3 и R4 и равен 1+R4/R3. Чему же равен коэффициент усиления ПОС – сказать тяжело.

По ФЧХ видим, что при нулевой частоте фазовый сдвиг равен 1800. Это связано с тем, что на нулевой частоте сопротивление ёмкостей велико, а значит, оно будет носить ёмкостной характер. Отсюда и 1800 (по 900 от каждой ёмкости). При росте частоты сопротивление падает, а значит и уменьшается фаза.

Как видим, на низких частотах входная проводимость стремится к нулю. Так и должно быть, вить это фильтр высоких частот. С увеличением частоты проводимость растёт.

Увеличение ёмкостей С1 и С2 приводит к уменьшению нижней частоты и увеличению коэффициента усиления. Первое объясняется известной формулой ω = 1/(RC). Как видим из формулы, с росном С частота падает.

Второе, на вой взгляд, связано с тем, что при росте ёмкости падает её сопротивление и через неё увеличивается глубина ПОС.

Фаза, как видим, с ростом ёмкости падает быстрее. Это связано с уменьшение сопротивления ёмкости при увеличении её номинала.

Увеличение сопротивления R4 приводит к увеличению коэффициента усиления. Это понятно, так как влияние этого резистора на KU была упомянута выше. Влияние на ФЧХ я не беру на себя смелости объяснить, так как, честно говоря, это сделать непросто.

Резистор R2 влияет аналогично R4.

Сомой "весёлой" частью данной курсовой работы, на мой взгляд, является метод графов. Составление унисторного графа схемы не вызвало особенных трудностей, но это было только начало.

Далее нужно было получить выражения для коэффициента усиления по напряжению и входной проводимости схемы. Эти схемные функции были определены с помощью формулы Мэзона.

Числители были рассчитаны с помощью формулы Максвелла. Самая большая трудность – это поиск всех прямых путей, что занимает много времени и концентрации. Это такая работа, которая требует особенной сосредоточенности и тишины.

При расчёте определителя графа (знаменатель формулы Мэзона) был использован метод разложения по вершине. Он, на мой взгляд, более прост. Здесь тоже возникали некоторые трудности, которые заключались в поиске всех деревьев графа, полученного после закорачивания и разрывания определённых вершин.

Но, к моему счастью или несчастью, пока не знаю, мне попался простой вариант. Схема содержит всего один ОУ и несколько пассивных элементов. Поэтому, расчёт схемных функций получился не очень долгим и нудным.

Далее, имея эти функции, можно проводить полный анализ схемы, чем, как я понял, мы будем заниматься в следующем семестра.

На мой взгляд, выполнение данной курсовой работы является полезным занятием и, как не странно, даже интересным. Я надеюсь, что справился с поставленной задачей полностью и правильно (разве что пропустил где-то парочку деревьев или прямых путей, но от этого никто не застрахован).


Список использованной литературы

1.  Моделювання електронних схем. Методичні вказівки до виконання курсової роботи з моделювання електронних схем для студентів денної форми навчання за напрямом підготовки 0908 "Електроніка" спеціальності 6.090803 "Електронні системи" / Укладачі: Гордієнко В. В., Ревко А. С. – Чернігів: ЧДТУ, 2007. – 49 с.

2.  Конспект лекцій з дисципліни: "Моделювання електронних схем".

3.  180 аналогов микросхем (справочник). Ю. А. Мячин. – Изд-во "Патриот", МП "Символ-Р" и редакция журнала "Радио", 1993. – 152с., ил., (приложение к журналу "Радио").


Приложение

Параметры операционного усилителя



на тему рефераты
НОВОСТИ на тему рефераты
на тему рефераты
ВХОД на тему рефераты
Логин:
Пароль:
регистрация
забыли пароль?

на тему рефераты    
на тему рефераты
ТЕГИ на тему рефераты

Рефераты бесплатно, реферат бесплатно, курсовые работы, реферат, доклады, рефераты, рефераты скачать, рефераты на тему, сочинения, курсовые, дипломы, научные работы и многое другое.


Copyright © 2012 г.
При использовании материалов - ссылка на сайт обязательна.